我们的液压适配器符合最高质量标准,符合或超过SAE和ISO等全球标准。我们的液压适配器提供两种车身类型之一,钎焊或锻造。两者中最常见的是锻造样式,因为它们具有流线型外观,通常更容易安装并且制造成本更低。虽然并非所有配件都以一种或另一种形式供应,但一旦钎焊后库存耗尽,它们最终将逐步停止循环。
我们提供全套公制液压适配器和配件,包括BSPP,BSPT,公制和30°座椅。 YH液压公制压缩接头具有很强的抗振性,可形成坚固,可靠,无泄漏的连接。它们符合或超过所有SAE,ISO和DIN标准。它们的切割环设计可以减轻液压系统振动的影响。完成三价铬酸盐电镀。
JIS到NPT适配器
1SN转接头配件是JIS GAS公头30度锥形到NPT公螺纹类型。 1SN配件的尺寸为1/4英寸至2英寸,可满足客户的大多数需求。我们为国内市场和世界提供优质产品。我们提供售后服务和问题解决方案。
√零件号:1SN(JIS GAS公60°锥至NPT公)
√尺寸:从04到32在YH Hydraulic中广泛生产。如果提供图纸,样品或要求,可以接受其他尺寸
√材质:碳钢45(常用);不锈钢或黄铜(可选)
√生产标准:与伊顿相同的赢家
√品牌:YH;但在产品主体上没有品牌字母,除非它是必需的
√样品:少于5件免费检查质量
JIS到NPT适配器绘图

技术数据表
| 代号 | 螺纹螺纹 | 尺寸尺寸 | ||||
| 零件号 | Ë | F | 一个 | 乙 | S1 | 大号 |
| 1SN-04 | G1 / 4" X19 | Z1 / 4" X18 | 15 | 14 | 17 | 35 |
| 1SN-04-02 | G1 / 4" X19 | Z1 / 8" X27 | 15 | 10 | 17 | 31 |
| 1SN-04-06 | G1 / 4" X19 | Z3 / 8" X18 | 15 | 14 | 19 | 35 |
| 1SN-04-08 | G1 / 4" X19 | Z1 / 2" X14 | 15 | 19 | 22 | 41 |
| 1SN-06 | G3 / 8" X19 | Z3 / 8" X18 | 16 | 14 | 19 | 36 |
| 1SN-06-04 | G3 / 8" X19 | Z1 / 4" X18 | 16 | 14 | 19 | 36 |
| 1SN-06-08 | G3 / 8" X19 | Z1 / 2" X14 | 16 | 19 | 22 | 43 |
| 1SN-08 | G1 / 2" X14 | Z1 / 2" X14 | 19 | 19 | 22 | 46 |
| 1SN-08-04 | G1 / 2" X14 | Z1 / 4" X18 | 19 | 14 | 22 | 41 |
| 1SN-08-06 | G1 / 2" X14 | Z3 / 8" X18 | 19 | 14 | 22 | 41 |
| 1SN-08-12 | G1 / 2" X14 | Z3 / 4" X14 | 19 | 19.5 | 27 | 48.5 |
| 1SN-12 | G3 / 4" X14 | Z3 / 4" X14 | 23 | 19.5 | 30 | 52 |
| 1SN-12-08 | G3 / 4" X14 | Z1 / 2" X14 | 23 | 19 | 30 | 52 |
| 1SN-12-16 | G3 / 4" X14 | Z1" X11.5 | 23 | 24 | 36 | 58 |
| 1SN-16 | G1" X11 | Z1" X11.5 | 25 | 24 | 36 | 60 |
| 1SN-16-12 | G1" X11 | Z3 / 4" X14 | 25 | 19.5 | 36 | 55.5 |
| 1SN-20 | G1.1 / 4" X11 | Z1.1 / 4" X11.5 | 29 | 25 | 46 | 66 |
| 1SN-24 | G1.1 / 2" X11 | Z1.1 / 2" X11.5 | 30 | 25 | 50 | 68 |
| 1SN-32 | G2" X11 | Z2" X11.5 | 35 | 29 | 70 | 81 |
BSP O形圈可调节螺柱
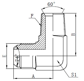
1SG9-OG型接头是90度弯头JIS GAS公头60度锥形到BSP公头O型圈可调节螺柱。从1/4“到1.1 / 2”的尺寸通常由YH Hydraulic制造。详细信息显示在技术数据表中供您参考。我们欢迎客户向我们提供一些建议或意见,以提高我们的生产和服务能力。
√零件号:1SG9-OG(90°JIS GAS公头60°锥至BSP公O型圈可调节螺柱)
√材质:碳钢(合格);不锈钢和黄铜是可以接受的
√表面处理:镀锌(白色或黄色);镀铬;镀镍
√OEM服务:可作为样品生产;设计
√样品服务:测试产品质量不超过3件。
BSP O形圈可调螺柱图
技术数据表
| 代号 | 螺纹螺纹 | 尺寸尺寸 | ||||
| 零件号 | Ë | F | 一个 | 乙 | S1 | S2 |
| 1SG9-04OG | G1 / 4" X19 | G1 / 4" X19 | 27 | 31 | 14 | 19 |
| 1SG9-06OG | G3 / 8" X19 | G3 / 8" X19 | 29 | 36 | 17 | 22 |
| 1SG9-08OG | G1 / 2" X14 | G1 / 2" X14 | 37 | 43 | 22 | 27 |
| 1SG9-12OG | G3 / 4" X14 | G3 / 4" X14 | 43 | 49 | 27 | 32 |
| 1SG9-16OG | G1" X11 | G1" X11 | 49 | 53 | 33 | 41 |
| 1SG9-20OG | G1.1 / 4" X11 | G1.1 / 4" X11 | 57 | 59 | 44 | 50 |
| 1SG9-24OG | G1.1 / 2" X11 | G1.1 / 2" X11 | 59 | 65 | 50 | 55 |
JIS GAS弯头连接器
1ST4系列转接头配件为45度弯头JIS GAS公头60度锥体,带BSPT公螺纹类型。我们的日常生产涉及从04到32的完整尺寸。详细信息如下所示和“技术数据”。您可以继续检查并查找所需的物品和尺寸。
√零件号:1ST4(45°JIS GAS公头60°锥带BSPT公螺纹型)
√品牌:YH;标准是伊顿生产
√功能:连接机器内部的部件,输送油和水等液体
√材料:铁;碳素钢;不锈钢;其他特定金属
√表面:Cr + 3; Cr + 6镀锌;镀铬
√交货时间:订单少于25天或根据发票
JIS GAS弯头连接器图纸
技术数据表
| 代号 | 螺纹螺纹 | 尺寸尺寸 | |||
| 零件号 | Ë | F | 一个 | 乙 | S1 |
| 1ST4-04 | G1 / 4" X19 | R1 / 4" X19 | 22 | 22 | 14 |
| 1ST4-04-02 | G1 / 4" X19 | R1 / 8" X28 | 22 | 22 | 14 |
| 1ST4-04-06 | G1 / 4" X19 | R3 / 8" X19 | 22 | 22 | 17 |
| 1ST4-04-08 | G1 / 4" X19 | R1 / 2" X14 | 27 | 27 | 22 |
| 1ST4-06 | G3 / 8" X19 | R3 / 8" X19 | 22 | 22 | 17 |
| 1ST4-06-04 | G3 / 8" X19 | R1 / 4" X19 | 22 | 22 | 17 |
| 1ST4-06-08 | G3 / 8" X19 | R1 / 2" X14 | 27 | 27 | 22 |
| 1ST4-08 | G1 / 2" X14 | R1 / 2" X14 | 27 | 27 | 22 |
| 1ST4-08-06 | G1 / 2" X14 | R3 / 8" X19 | 27 | 27 | 22 |
| 1ST4-12 | G3 / 4" X14 | R3 / 4" X14 | 33 | 33 | 27 |
| 1ST4-12-08 | G3 / 4" X14 | R1 / 2" X14 | 33 | 33 | 27 |
| 1ST4-16 | G1" X11 | R1" X11 | 37 | 37 | 33 |
| 1ST4-16-12 | G1" X11 | R3 / 4" X14 | 37 | 37 | 33 |
| 1ST4-20 | G1.1 / 4" X11 | R1.1 / 4" X11 | 40 | 40 | 44 |
| 1ST4-24 | G1.1 / 2" X11 | R1.1 / 2" X11 | 47 | 47 | 50 |
| 1ST4-32 | G2" X11 | R2" X11 | 55 | 55 | 65 |
优胜者标准AK配件
AK系列配件是JIS公制60°锥形三通,我们工厂每天生产。热门尺寸显示在技术数据表上,附有图纸和细节。我们生产的配件基于Winner生产标准,现在与伊顿相同。配件还可以满足液压油中许多流行的标准。
√零件号:AK(JIS公制60度锥形三通)
√类型:直接配件; 45度弯头配件; 90度弯头配件;三端装配;交叉
√尺寸:从M14到M33可在我们的工厂生产
√主题:公制; JIS度量; BSP; BSPT; NPT; JIC; ORFS;其他
√库存和交货时间:许多配件作为库存产品保存,以便缩短交货时间。
优胜者标准AK配件图
技术数据表
| 代号 | 螺纹 | 尺寸 | |
| 零件号 | 线程E. | 一个 | S1 |
| AK-14 | M14X1.5 | 25 | 14 |
| AK-16 | M16X1.5 | 26 | 17 |
| AK-18 | M18X1.5 | 27.5 | 19 |
| AK-22 | M22X1.5 | 30 | 22 |
| AK-24 | M24X1.5 | 40 | 27 |
| AK-30 | M30X1.5 | 43 | 33 |
| AK-33 | M33X1.5 | 43 | 33 |
可调节螺柱配件
1DH4-OG适配器系列是45度公制24度重型可调螺柱。低碳钢投入生产,以保证我们的高品质。我们工厂的所有机器都是先进的,我们可以提供优质的产品。如果出现图纸,样品或要求,我们也可以为客户提供特殊的适配器配件。
√零件号:1DH4-OG(45°公制公头24°重型可调节螺柱)
√工艺流程:根据图纸,样品和尺寸准确
√机器和步骤:精密数控车床,冲床,摩擦压力机,铣床锻造,冲压等
√特点:适用于高标准机械
√交货:FOB(宁波)是最近的港口;如果大多数物品需要生产,一个订单少于30天
可调螺柱配件图
技术数据表
| 线 | 尺寸 | ||||||
| 零件号 | Ë | F | TUBE OD D1 | 一个 | 乙 | S1 | S2 |
| 1DH4-14-12OG | M14X1.5 | M12X1.5 | 6 | 22 | 30 | 14 | 17 |
| 1DH4-16-14OG | M16X1.5 | M14X1.5 | 8 | 22 | 31 | 17 | 19 |
| 1DH4-18-16OG | M18X1.5 | M16X1.5 | 10 | 24 | 34 | 19 | 22 |
| 1DH4-20-18OG | M20X1.5 | M18X1.5 | 12 | 27 | 37 | 22 | 24 |
| 1DH4-24-22OG | M24X1.5 | M22X1.5 | 16 | 33 | 40 | 27 | 27 |
| 1DH4-30-27OG | M30X2 | M27X2 | 20 | 33 | 48 | 27 | 32 |
| 1DH4-36-33OG | M36X2 | M33X2 | 25 | 37 | 50 | 33 | 41 |
| 1DH4-42-42OG | M42X2 | M42X2 | 30 | 40 | 54 | 44 | 50 |
| 备注:如果您有兴趣订购带有切割环和螺母的整套适配器,则必须在我们的零件号中插入后缀“RN”。例如:1DH4-24-22OG / RN。 | |||||||
自锁密封适配器配件
1DB-WD系列是公制24度重型和带有系留密封的BSP。尺寸从04到24是在YH Hydraulic生产和销售的。物品主要由低碳钢和不锈钢制成。 CNC制造控制高精度。作为可靠的供应商,我们不仅提供优质的产品,而且还提供良好的服务,以创造良好的业务合作。
√零件号:1DB-WD(公制24°重型; BSP带自锁密封)
√材质:配件:低碳钢;圈养密封:橡胶
√类型:支持销售带切割环和螺母的成套设备
√最小起订量政策:每件300PCS至500PCS
√运输期限:FOB(宁波)或CIF(客户港口)可接受;一个订单的发货数据少于30天(转载项目)
俘获密封适配器配件图
技术数据表
| 线 | 尺寸 | |||||
| 零件号 | Ë | F | TUBE OD D1 | 一个 | 乙 | S1 |
| 1DB-14-04WD | M14X1.5 | G1 / 4" X19 | 6 | 13 | 12 | 19 |
| 1DB-16-04WD | M16X1.5 | G1 / 4" X19 | 8 | 13.5 | 12 | 19 |
| 1DB-16-06WD | M16X1.5 | G3 / 8" X19 | 8 | 13.5 | 13.5 | 22 |
| 1DB-18-04WD | M18X1.5 | G1 / 4" X19 | 10 | 13.5 | 12 | 19 |
| 1DB-18-06WD | M18X1.5 | G3 / 8" X19 | 10 | 13.5 | 13.5 | 22 |
| 1DB-18-08WD | M18X1.5 | G1 / 2" X14 | 10 | 13.5 | 16 | 27 |
| 1DB-20-04WD | M20X1.5 | G1 / 4" X19 | 12 | 13.5 | 12 | 22 |
| 1DB-20-06WD | M20X1.5 | G3 / 8" X19 | 12 | 13.5 | 13.5 | 22 |
| 1DB-20-08WD | M20X1.5 | G1 / 2" X14 | 12 | 13.5 | 16 | 27 |
| 1DB-22-08WD | M22X1.5 | G1 / 2" X14 | 14 | 14 | 16 | 27 |
| 1DB-24-06WD | M24X1.5 | G3 / 8" X19 | 16 | 14 | 13.5 | 27 |
| 1DB-24-08WD | M24X1.5 | G1 / 2" X14 | 16 | 14 | 16 | 27 |
| 1DB-24-12WD | M24X1.5 | G3 / 4" X14 | 16 | 14 | 18.5 | 32 |
| 1DB-30-12WD | M30X2 | G3 / 4" X14 | 20 | 18 | 18.5 | 32 |
| 1DB-42-20WD | M42X2 | G1.1 / 4" X11 | 30 | 20 | 20.5 | 50 |
| 1DB-52-24WD | M52X2 | G1.1 / 2" X11 | 38 | 22 | 23 | 55 |
| 备注:如果您有兴趣订购带有切割环和螺母的整套适配器,则必须在我们的零件号中插入后缀“RN”。例如:1DB-14-04WD / RN。 | ||||||
公制隔板连接器
6C系列是公制公24度轻型隔板适配器配件。与6C型相比,6D系列是重型。它们都可以在YH Hydraulic中找到。我们的适配器配件采用低碳钢材料锻造而成。但我们可以根据客户的要求提供其他材料产品。
√零件号:6C(公制公头24°轻型隔板)
√尺寸范围:从M12到M52;对于更大或更小的,请告知我们的销售。
√类型:有或没有切割环和螺母可供出售。
√质量:高精度制造;好包装;最优质的材料(碳钢)
√标准:获胜者(与伊顿相同);其他标准产品需要部分号码才能与我们联系。
√包装:带塑料盖的纸箱;木箱,带塑料盖
公制隔板连接器图纸
技术数据表
| 尺寸 | ||||
| 零件号 | 线程E. | TUBE OD D1 | 一个 | S1 |
| 6C-12 | M12X1.5 | 6 | 11 | 12 |
| 6C-14 | M14X1.5 | 8 | 13 | 14 |
| 6C-16 | M16X1.5 | 10 | 13.5 | 17 |
| 6C-18 | M18X1.5 | 12 | 13.5 | 19 |
| 6C-22 | M22X1.5 | 15 | 14 | 24 |
| 6C-26 | M26X1.5 | 18 | 14 | 27 |
| 6C-30 | M30X2 | 22 | 18 | 32 |
| 图6C-33 | M33X2 | 25 | 18 | 36 |
| 6C-45 | M45X2 | 35 | 19 | 46 |
| 6C-52 | M52X2 | 42 | 19 | 55 |
| 备注:如果您有兴趣订购带有切割环和螺母的整套适配器,则必须在我们的零件号中插入后缀“RN”。例如:6C-14RN。如果使用切割环和螺母订购,请在零件编号后插入后缀“LN”。例如“6C-14LN” | ||||
BSPT公适配器连接器
1QT9系列连接器是90度公制公头74°锥形,带BSPT外螺纹。 YH是液压适配器配件的可靠制造商和销售商。我们的产品应用于农业机械,汽车,建筑,工程机械等。产品具有耐高压,表面光滑的特点。
√零件号:1QT9(90度公制公74度锥和BSPT公)
√标准:获胜者(伊顿)生产标准
√交货时间:无论大小订单少于45天。
√设备:数控机床;自动车床;手动车床磨床;滚丝机;攻丝钻孔机;弯管机;等等
√样品服务:质量检查免费少于5件。
BSPT公适配器连接器图纸
技术数据表
| 线 | 尺寸 | ||||
| 零件号 | Ë | F | 一个 | 乙 | S1 |
| 1QT9-12-02 | M12X1.5 | R1 / 8" X28 | 26.5 | 23.5 | 11 |
| 1QT9-12-04 | M12X1.5 | R1 / 4" X19 | 29 | 27 | 14 |
| 1QT9-14-02 | M14X1.5 | R1 / 8" X28 | 29 | 27 | 14 |
| 1QT9-14-04 | M14X1.5 | R1 / 4" X19 | 29 | 27 | 14 |
| 1QT9-16-04 | M16X1.5 | R1 / 4" X19 | 30 | 28 | 17 |
| 1QT9-16-06 | M16X1.5 | R3 / 8" X19 | 30 | 28 | 17 |
| 1QT9-16-08 | M16X1.5 | R1 / 2" X14 | 37 | 37 | 22 |
| 1QT9-18-04 | M18X1.5 | R1 / 4" X19 | 33 | 33 | 19 |
| 1QT9-18-06 | M18X1.5 | R3 / 8" X19 | 33 | 33 | 19 |
| 1QT9-22-06 | M22X1.5 | R3 / 8" X19 | 37 | 37 | 22 |
| 1QT9-22-08 | M22X1.5 | R1 / 2" X14 | 37 | 37 | 22 |
| 1QT9-27-08 | M27X1.5 | R1 / 2" X14 | 43 | 43 | 27 |
| 1QT9-27-12 | M27X1.5 | R3 / 4" X14 | 43 | 43 | 27 |
| 1QT9-27-16 | M27X1.5 | R1" X11 | 52 | 47 | 33 |
| 1QT9-30-12 | M30X2 | R3 / 4" X14 | 52 | 47 | 33 |
| 1QT9-36-16 | M36X2 | R1" X11 | 52 | 47 | 33 |
| 1QT9-39-16 | M39X2 | R1" X11 | 59 | 54 | 44 |
| 1QT9-42-20 | M42X2 | R1.1 / 4" X11 | 59 | 54 | 44 |
| 1QT9-45-16 | M45X2 | R1" X11 | 60 | 57 | 50 |
| 1QT9-45-20 | M45X2 | R1.1 / 4" X11 | 60 | 57 | 50 |
| 1QT9-45-24 | M45X2 | R1.1 / 2" X11 | 60 | 57 | 50 |
公制男轻型
1C系列是公制24度轻型,尺寸可从M12到M52。 YH提供完整的液压适配器配件,无需任何毛刺和锋利的边缘制动。我们可以提供OEM服务,提供图纸,样品或要求。
√零件号:1C(公制24度轻型)
√优势:有竞争力的价格;质量可靠;高度光滑的表面光洁度
√涂层:镀锌;镀铬;绘画;其他
√标准:基于Winner(伊顿)生产
√压力:从16Mpa到63Mpa
公制男性光型绘图
技术数据表
| 尺寸 | |||||
| 零件号 | 线程E. | TUBE OD D1 | 一个 | S1 | 大号 |
| 1C-12 | M12X1.5 | 6 | 11 | 12 | 28 |
| 1C-14 | M14X1.5 | 8 | 13 | 14 | 32 |
| 1C-16 | M16X1.5 | 10 | 13.5 | 17 | 33 |
| 1C-18 | M18X1.5 | 12 | 13.5 | 19 | 33 |
| 1C-22 | M22X1.5 | 15 | 14 | 24 | 35 |
| 1C-26 | M26X1.5 | 18 | 14 | 27 | 38 |
| 1C-30 | M30X2 | 22 | 18 | 32 | 47 |
| 1C-33 | M33X2 | 25 | 18 | 36 | 47 |
| 1C-45 | M45X2 | 35 | 19 | 46 | 51 |
| 1C-52 | M52X2 | 42 | 19 | 55 | 55 |
| 备注:如果您有兴趣订购带有切割环和螺母的整套适配器,则必须在我们的零件号中插入后缀“RN”。例如:1C-22RN。 | |||||
JIS公制公头适配器
1K系列转接头配件采用JIS公制60度锥形螺纹。 JIS是日本工业标准的缩写,是一种公制螺纹。每日生产的尺寸显示在技术数据表中,并附有详细规格。 YH还欢迎定制的适配器,提供样品或图纸。
√零件号:1K(JIS公制男性60度锥)
√表面处理:三价银锌;三价黄锌;六价黄锌;镀铬板;电抛光等
√检查:包装前100%
√优势:有竞争力的价格;质量可靠;供应能力强;完美的表面处理
√交货:重新生产的物品需要25天
JIS公制男性适配器绘图
技术数据表
| 尺寸 | |||||
| 零件号 | 线程E. | 一个 | 乙 | S1 | 大号 |
| 1K-14 | M14X1.5 | 17 | 17 | 17 | 40 |
| 1K-16 | M16X1.5 | 18 | 18 | 17 | 42 |
| 1K-18 | M18X1.5 | 18 | 18 | 19 | 42 |
| 1K-20 | M20X1.5 | 20 | 20 | 22 | 48 |
| 1K-22 | M22X1.5 | 20 | 20 | 24 | 48 |
| 1K-24 | M24X1.5 | 21.5 | 21.5 | 27 | 53 |
| 1K-30 | M30X1.5 | 26 | 26 | 32 | 63 |
| 1K-33 | M33X1.5 | 30 | 30 | 36 | 71 |
| 1K-36 | M36X1.5 | 33 | 33 | 41 | 78 |
| 1K-42 | M42X1.5 | 36 | 36 | 46 | 85 |
SAE O形圈软管连接器
公制适配器配件1DO系列代表公制24度重型和SAE公O型圈的螺纹类型。 YH是公制适配器配件的领先生产商,基于Winner生产标准。凭借完整的工程能力,YH可以根据原始设备标准设计定制公制接头和软管组件。
√零件号:1DO(公制24度重型带SAE公O型圈螺纹)
√品牌:YH;如果需要任何徽标产品,请发送电子邮件给我们
√尺寸:技术数据表中显示的规格是标准的。但是对于尺寸差异,请在询价单上注明
√交货时间:15天内;如发票所示
√最近的港口:中国宁波
SAE O型圈软管连接器图纸
技术数据表
| 线 | 尺寸 | ||||||
| 零件号 | Ë | F | TUBE OD D1 | 一个 | 乙 | S1 | 大号 |
| 1DO-16-04 | M16X1.5 | U7 / 16" X20 | 8 | 13.5 | 10 | 17 | 29 |
| 1DO-18-06 | M18X1.5 | U9 / 16" X18 | 10 | 13.5 | 12 | 19 | 31 |
| 1DO-20-06 | M20X1.5 | U9 / 16" X18 | 12 | 13.5 | 12 | 22 | 33 |
| 1DO-20-08 | M20X1.5 | U3 / 4" X16 | 12 | 13.5 | 12 | 24 | 32 |
| 1DO-24-08 | M24X1.5 | U3 / 4" X16 | 16 | 14 | 12 | 24 | 32 |
| 1DO-24-10 | M24X1.5 | U7 / 8" X14 | 16 | 14 | 13.5 | 27 | 37 |
| 1DO-30-08 | M30X2 | U3 / 4" X16 | 20 | 18 | 12 | 32 | 41 |
| 1DO-30-10 | M30X2 | U7 / 8" X14 | 20 | 18 | 13.5 | 32 | 42 |
| 1DO-30-12 | M30X2 | U1.1 / 16" X12 | 20 | 18 | 16 | 32 | 45 |
| 1DO-42-16 | M42X2 | U1.5 / 16" X12 | 30 | 20 | 17 | 46 | 50 |
| 1DO-42-20 | M42X2 | U1.5 / 8" X12 | 30 | 20 | 18 | 50 | 55 |
| 1DO-52-20 | M52X2 | U1.5 / 8" X12 | 38 | 22 | 18 | 55 | 57 |
| 备注:如果您有兴趣订购带有切割环和螺母的整套适配器,则必须在我们的零件号中插入后缀“RN”。例如:1DO-24-10RN。 | |||||||
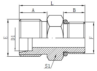
公制女性软管三通
部件号BC适配器是锻造的,由碳钢制成。他们完成三价电镀和价值。产品包装良好,以避免碰撞和潮湿。适配器由CNC机器制造,可保持高度光滑的表面和所需的公差。如果提供图纸或样品,YH欢迎客户设计的产品。
√零件号:BC(公制母24度,公制24度重型三通)
√类型:可以预定整套带切割环和螺母的适配器
√材质:碳钢;不锈钢
√尺寸:技术数据表中显示的流行生产尺寸;欢迎其他人
√最小起订量:300件一件
√样品:根据库存情况,少于5件免费
公制女性软管T恤图
技术数据表
| 线 | TUBE OD | 尺寸 | ||||||
| 零件号 | Ë | F | D1 | D2 | 一个 | C | S1 | S2 |
| BC-12 | M12X1.5 | M12X1.5 | 6 | 6 | 25 | 2 | 14 | 17 |
| BC-14 | M14X1.5 | M14X1.5 | 8 | 8 | 25 | 2 | 14 | 19 |
| BC-16 | M16X1.5 | M16X1.5 | 10 | 10 | 26 | 2 | 17 | 22 |
| BC-18 | M18X1.5 | M18X1.5 | 12 | 12 | 27.5 | 2.5 | 19 | 24 |
| BC-22 | M22X1.5 | M22X1.5 | 15 | 15 | 30 | 3 | 22 | 27 |
| BC-26 | M26X1.5 | M26X1.5 | 18 | 18 | 35 | 3.5 | 24 | 32 |
| BC-30 | M30X2 | M30X2 | 22 | 22 | 40 | 3.5 | 27 | 36 |
| BC-36 | M36X2 | M36X2 | 28 | 28 | 43 | 4 | 33 | 41 |
| 备注:如果您有兴趣订购带有切割环和螺母的整套适配器,则必须在我们的零件号中插入后缀“RN”。例如:BC-30RN。 | ||||||||
弯头男可调节螺柱
1CO9-OG是90度弯头公制公头,带SAE公头可调螺柱螺纹。它也可以生产与相关切割环和螺母配合的整套装置。 YH提供可提供无泄漏解决方案的配件。配件通常将软管组件连接到端口或适配器,并且制造成满足或超过SAE,ISO和JIS标准的工业规范要求。
√零件号:1CO9-OG(90度公制24度轻型带SAE公头可调螺柱螺纹)
√表面处理:三价银锌,三价黄锌,六价黄锌,镀铬板,电抛光
√优势:高品质,完美的表面光洁度,光滑的外观,标准公差。
√证书:ISO9001:2008
√OEM:可用
√交货:10天内(根据要求的项目和数量)
弯头男可调螺柱图
技术数据表
| 线 | 尺寸 | ||||||
| 零件号 | Ë | F | TUBE OD D1 | 一个 | 乙 | S1 | S2 |
| 1CO9-12-04OG | M12X1.5 | U7 / 16" X20 | 6 | 27 | 27.2 | 14 | 17 |
| 1CO9-14-06OG | M14X1.5 | U9 / 16" X18 | 8 | 29 | 31.8 | 17 | 19 |
| 1CO9-16-06OG | M16X1.5 | U9 / 16" X18 | 10 | 29 | 33.3 | 17 | 19 |
| 1CO9-18-08OG | M18X1.5 | U3 / 4" X16 | 12 | 32 | 37.5 | 19 | 24 |
| 1CO9-22-08OG | M22X1.5 | U3 / 4" X16 | 15 | 37 | 44 | 22 | 27 |
| 1CO9-22-10OG | M22X1.5 | U7 / 8" X14 | 15 | 37 | 39.5 | 22 | 24 |
| 1CO9-26-12OG | M26X1.5 | U1.1 / 16" X12 | 18 | 43 | 51 | 27 | 32 |
| 1CO9-30-12OG | M30X2 | U1.1 / 16" X12 | 22 | 43 | 53.5 | 27 | 32 |
| 1CO9-36-16OG | M36X2 | U1.5 / 16" X12 | 28 | 49 | 57.5 | 33 | 41 |
| 1CO9-45-20OG | M45X2 | U1.5 / 8" X12 | 35 | 57 | 63 | 44 | 50 |
| 1CO9-52-20OG | M52X2 | U1.7 / 8" X12 | 42 | 59 | 70.5 | 50 | 55 |
| 备注:如果您有兴趣订购带有切割环和螺母的整套适配器,则必须在我们的零件号中插入后缀“RN”。例如:1CO9-12-04OG / RN。 | |||||||
公制公O型圈配件
公制适配器接头2E9代替90度公制公O形圈螺纹,带公制内螺纹。 YH还参与生产不同的螺纹类型,如BSPP,BSPT,JIS,JIC,NPT等。我们以拥有一支优秀的工作团队,广泛的优质库存产品,以及为客户提供快速友好的服务而自豪。 。
√零件号:2E9(90度公制O形圈公制内螺纹)
√表面处理:Cr3镀铬;镀锌(黄色;白色);镀镍
√优点:表面光滑无毛刺和杂质;高精度制造;交货及时;库存产品作为样品
√定制服务:客户图纸或样品的非标准产品
√包装:纸箱包装,然后盒子或托盘交货
公制公O型圈配件图
技术数据表
| 线 | 尺寸 | |||||
| 零件号 | Ë | F | 一个 | C | S1 | S2 |
| 2E9-14 | M14X1.5 | M14X1.5 | 29 | 9 | 14 | 19 |
| 2E9-16 | M16X1.5 | M16X1.5 | 30 | 9.5 | 17 | 22 |
| 2E9-18 | M18X1.5 | M18X1.5 | 33 | 9.5 | 19 | 24 |
| 2E9-22 | M22X1.5 | M22X1.5 | 37 | 10 | 22 | 27 |
| 2E9-27 | M27X1.5 | M27X1.5 | 41 | 10.5 | 27 | 32 |
| 2E9-30 | M30X1.5 | M30X1.5 | 49 | 11.5 | 33 | 36 |
| 2E9-36 | M36X2 | M36X2 | 47 | 13.5 | 33 | 41 |
| 2E9-39 | M39X2 | M39X2 | 57 | 13.5 | 44 | 46 |
| 2E9-45 | M45X2 | M45X2 | 55 | 15.5 | 44 | 55 |
| 2E9-52 | M52X2 | M52X2 | 59 | 17.5 | 55 | 60 |
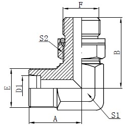
弯头液压适配器
部件号1CH9-OG是90°公制24°轻型可调螺柱适配器。它在技术数据中显示了许多尺寸。对于其他尺寸,YH欢迎客户联系我们的销售。 1CH9-OG完成了相应尺寸的Viton,为什么“OG”放在每个部件之后没有。适配器在包装前涂有锌,铬,镍等。
√零件号:1CH9-OG(90度公制24度LT可调螺柱)
√生产过程:材料准备;仪表车床加工;数控机床制造;去除毛刺和杂质;涂层;检查尺寸和数量;填料;交货单
√特点:精度高;高光滑度;合格的宽容
√优势:品质优良;有竞争力的价格;很好的服务
弯头液压适配器绘图
技术数据表
| 线 | 尺寸 | ||||||
| 零件号 | Ë | F | TUBE OD D1 | 一个 | 乙 | S1 | S2 |
| 1CH9-12-10OG | M12X1.5 | M10X1 | 6 | 27 | 26.5 | 14 | 14 |
| 1CH9-14-12OG | M14X1.5 | M12X1.5 | 8 | 27 | 32 | 14 | 17 |
| 1CH9-16-14OG | M16X1.5 | M14X1.5 | 10 | 29 | 34 | 17 | 19 |
| 1CH9-18-16OG | M18X1.5 | M16X1.5 | 12 | 32 | 36 | 19 | 22 |
| 1CH9-22-18OG | M22X1.5 | M18X1.5 | 15 | 37 | 39.5 | 22 | 24 |
| 1CH9-26-22OG | M26X1.5 | M22X1.5 | 18 | 43 | 43.5 | 27 | 27 |
| 1CH9-30-27OG | M30X2 | M27X2 | 25 | 43 | 50 | 27 | 32 |
| 1CH9-36-33OG | M36X2 | M33X2 | 28 | 49 | 54 | 33 | 41 |
| 备注:如果您有兴趣订购带有切割环和螺母的整套适配器,则必须在我们的零件号中插入后缀“RN”。例如:1CH9-22-18OG / RN。 | |||||||






























